FT-3KM Sシリーズ

FT-3KM Sシリーズは、高透磁率材FT-3KMを使用したコモンモードチョーク用の角型コアです。
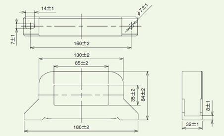
低背で配電盤に納めやすく限られた実装スペースを有効に活用できます。
FT-3KM S10085HBはMnZnフェライトを使用したコアに比べ約50%の軽量化が可能です。
FT-3KM Sシリーズ
| 品名コード | 品名 | Ae | Le | Weight | AL Value (μH/N2) | |
|---|---|---|---|---|---|---|
| (mm2) TYP. |
(mm) TYP. |
(g) TYP. |
10 kHz TYP. |
100 kHz TYP. |
||
| F1AH0545 | FT-3KM S10085HB | 112.5 | 290.1 | 410 | 36.6 | 9.3 |
| F1AH0572 | FT-3KM S11080HB | 271.9 | 303.8 | 765 | 84.4 | 21.4 |

オンライン購入はこちら

注:本標準品サンプルは車載用途、特殊用途での使用は初期評価用途に限ります。
車載用途、特殊用途、及びカスタム対応のご相談は下記のお問い合わせからご連絡ください。

注:本標準品サンプルは車載用途、特殊用途での使用は初期評価用途に限ります。
車載用途、特殊用途、及びカスタム対応のご相談は下記のお問い合わせからご連絡ください。
軟磁性材料(ファインメット応用品・リボン)へのお問い合わせ
関連製品一覧
その他の製品・ソリューションを探す
ABOUT US
持続可能な社会を支える高機能材料会社
売上収益
7,686億円
全従業員数
18,877人

















